
12GHz Analog Optical Transceiver with Fiber DS
Features
● Low noise
● Small size
● Flat frequency response
● High dynamic range
● Excellent EMI/EMC design
● Wide operating frequency from 0.1GHz to 12GHz
● APC&ATC maintain small vibration of output power and IP3
Applications
● Delay line
● Antenna remoting
● Secure communication
● OFDM fiber transmission
● Distributed antenna system
● Wideband wireless communication

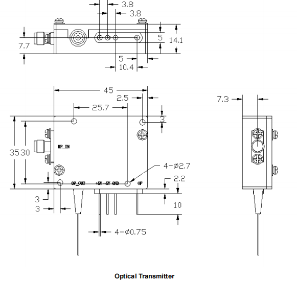
Mechanical (unit: mm)


Ordering Information

注:本产品有全国产化型号可选
本产品为FTRFT系列,仅展示部分参数,如有需要,请联系我们。
Important Notice
Performance figures, data and any illustrative material provided in this data sheet are typical and must be specifically confirmed in writing by F-tone Networks before they become applicable to any particular order or contract. In accordance with the F-tone Networks policy of continuous improvement specifications may change without notice.
The publication of information in this data sheet does not imply freedom from patent or other protective rights of F-tone Networks or others. Further details are available from any F-tone Networks sales representative.