
1270nm 高灵敏度蝶形 SOA
北亿纤通的半导体光放大器(SOA)系列产品,主要应用于PON放大、数据中心互联等光通信领域。该系列产品基于清华大学天津电子院光电集成微系统研究所的标准封装平台,采用密封的无机封装技术,保证了产品的可靠性。
产品特性:
● 低噪声、高灵敏度,可满足 PON 上行业务放大需求
● 低功耗、高线性度,可满足数据中心互联等高速业务放大需求
● 全国产化产品,交付及时
● 定制化服务:可支持保偏、集成隔离器、集成 PD光功率监控等更高集成度的器件订制
产品应用:
● XGPON/XGSPON/Combo PON 光放大
产品规格
典型特性
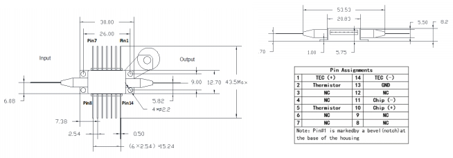
结构尺寸和管脚定义
订货信息

本产品为FT-XS系列,仅展示部分参数,如有需要,请联系我们。
Important Notice
Performance figures, data and any illustrative material provided in this data sheet are typical and must be specifically confirmed in writing by F-tone Networks before they become applicable to any particular order or contract. In accordance with the F-tone Networks policy of continuous improvement specifications may change without notice.
The publication of information in this data sheet does not imply freedom from patent or other protective rights of F-tone Networks or others. Further details are available from any F-tone Networks sales representative.