
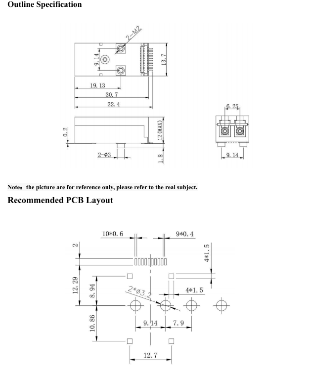
10Gbps MiniSFFLC CWDM Transceiver
FEATURES
● Surface mount I/O pins for high speed signal integrity
● All metal body,solder or screw mount options
● Industrial Temp range, vibration tolerant design
● Up to 60km links
● 2-Fiber Mini SFFLC Transceiver
● 1470~1610nm CWDM Transmitter
● EML Cooled transmitter,APD photo-detector
● Single 3.3V Power Supply
● Operating case temperature:
FT-95-RS-Cxx1X-60 :0 ℃to 70℃
FT-95-RS-Cxx1X-60I :-40 ℃to 85℃
APPLICATIONS
● CWDM optic fiber transmission system



本产品为FT-95-RS系列,仅展示部分参数,如有需要,请联系我们。
Important Notice
Performance figures, data and any illustrative material provided in this data sheet are typical and must be specifically confirmed in writing by F-tone Networks before they become applicable to any particular order or contract. In accordance with the F-tone Networks policy of continuous improvement specifications may change without notice.
The publication of information in this data sheet does not imply freedom from patent or other protective rights of F-tone Networks or others. Further details are available from any F-tone Networks sales representative.