
10Gbps单模 MiniSFF单纤双向光收发一体模块
产品特征
● 高可靠、全金属外壳、抗振动设计
● 3.3V单电源供电
● 宽工作温度范围
● MiniSFF封装,FC接口
● 传输距离:10km
● 工作温度:
FTMF-B271X-10 / FTMF-B331X-10 : 0℃~+70℃
FTMF-B271X-10I / FTMF-B331X-10I : -40℃~+85℃
产品应用
● 光纤通信链路
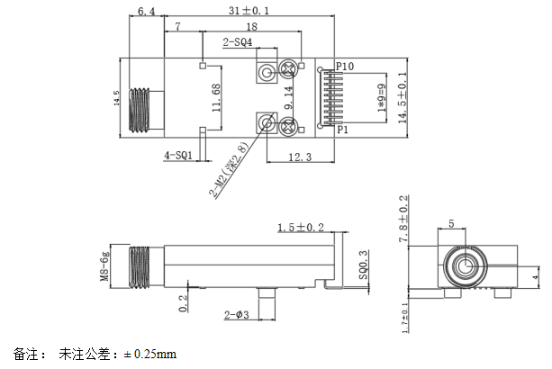
外形尺寸
订购须知
|
型号 |
封装 |
速率 (Gb/s) |
距离 (km) |
波长 (nm) |
电压 (V) |
发射功率 (dBm) |
接收灵敏度 (dBm) |
温度 (℃) |
|
FTMF-B271X-10 |
FC |
10 |
10 |
TX1270DFB/RX1330 |
3.3 |
-8.2 to +0.5 |
-14.4 |
0 ~70 |
|
FTMF-B331X-10 |
TX1330DFB/RX1270 |
|||||||
|
FTMF-B271X-10I |
FC |
10 |
10 |
TX1270DFB/RX1330 |
3.3 |
-8.2 to +0.5 |
-14.4 |
-40 ~85 |
|
FTMF-B331X-10I |
TX1330DFB/RX1270 |
注:本产品有全国产化型号可选
本产品为FTMF系列,仅展示部分参数,如有需要,请联系我们。
Important Notice
Performance figures, data and any illustrative material provided in this data sheet are typical and must be specifically confirmed in writing by F-tone Networks before they become applicable to any particular order or contract. In accordance with the F-tone Networks policy of continuous improvement specifications may change without notice.
The publication of information in this data sheet does not imply freedom from patent or other protective rights of F-tone Networks or others. Further details are available from any F-tone Networks sales representative.