
1060nm SOA 半导体光放大器件
北亿纤通1060nm波长的半导体光放大器(SOA)芯片系列专为高增益,高功率,低偏振和宽谱SOA模块而设计。可满足客户快速订制需求,同时具备交期短供货快、性价比好、可靠性高等优点。
产品特性:
● 高增益,低功耗
● 全国产化产品,交付及时
● 定制化服务:可支持保偏、集成隔离器、集成 PD 光功率监控等更高集成度的器件订制
产品应用:
● OCT 医疗应用
● 扫频源,可调激光器
产品规格
典型特性
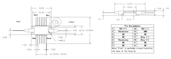
结构尺寸和管脚定义
订货信息

本产品为FT-XS系列,仅展示部分参数,如有需要,请联系我们。
Important Notice
Performance figures, data and any illustrative material provided in this data sheet are typical and must be specifically confirmed in writing by F-tone Networks before they become applicable to any particular order or contract. In accordance with the F-tone Networks policy of continuous improvement specifications may change without notice.
The publication of information in this data sheet does not imply freedom from patent or other protective rights of F-tone Networks or others. Further details are available from any F-tone Networks sales representative.